股票杠杆平台软件有哪些平台查询-最近火的股票行情-【东方资本】,如何查看股票当天成交笔数,股票配资app送体验金,股票开盘第一天

Products

產品中心

車用系列

當前位置: 首頁 > 產品中心 > 車用系列

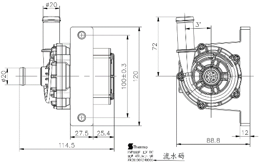
EWP080F 車用電子水泵

產品詳情

圖片3.png

圖片4.png



電壓:12V DC 

功率:80W

電流:5A

揚程:9±1m

流量:60(±10%)L/min

IP等級:IP67

噪音:≦45dB max@0.5m

絕緣等級:F 級(155℃)

壽命: ≧ 20000 H

環境溫度:-40℃~100℃

      產品特點:

      采用無刷電機結構,壽命長,性能可靠

      PWM調速、故障反饋功能設計

      采用優質設計,可在惡劣氣候下使用

      應用:

      新能源汽車的電機、電池、電控冷卻循環、汽車空調循環、充電樁及摩托車等


賽默(廈門)智能科技有限公司

地址:福建省廈門市同安工業集中區二環南路455號3幢5樓

電話:0592-7100076

郵箱: amy@auto-thermo.com

網址:m.bojige.com